25. mezinárodní setkání radioamatérů
HOLICE 2014

logo

 

Ve dnech 22. a 23. srpna probíhalo letošní radioamatérské setkání.
Obsahem setkání, jako každoročně, byly odborné přednášky, prezentace českých i zahraničních radioamatérských organizací, slavnostní předávání cen a diplomů, výstavky historické a vojenské spojovací techniky, setkání zájmových klubů a kroužků mladých radioamatérů a tradiční burza – blešák.

 

 

Nejdříve si projdeme bleší trh, poté navštívíme zajímavé výstavky
obr.01

 

obr.02

 

obr.03

 

obr.04

 

obr.05

 

obr.06

 

obr.07

 

obr.08

 

obr.09

 

obr.10

 

obr.11

 

obr.12

 

obr.13

 

obr.14

 

obr.15

 

obr.16
Sportovní hala - výstavní a prodejní trhy

 

obr.17

 

obr.18

 

obr.19
Prezentace českých i zahraničních radioamatérských organizací

 

obr.20

 

obr.21
Mladí radioamatéři při práci

 

 

Klub vojenské historie Československé lidové armády
i letos připravil výstavku vojenské spojovací techniky
obr.22
Rádiový vysílač RS-41, rádiová souprava RM 31-T, radiostanice RM-33-1

 

obr.23
Rádiová souprava RM 31-A, vpravo rádiový vysílač RS-41
v rámu nahoře: přijímač R-3, anténní díl RM31-3, dole radiová stanice RM 31-P

 

obr.24
Souprava rádiové stanice R-113

 

obr.25
Souprava rádiové stanice RM-33-Z používaná ve vozidlech GAZ-69
zesilovač PZ-33-1, radiostanice RM-33-1, zdroj zesilovače PZ-33-2

 

obr.26
V kulturním domě se jedna z kluboven proměnila v dětskou dílnu
Výroba přijímače Coca-Cola

 

obr.27
Viktor Křížek, tentokrát do Holic přivezl ukázku amatérských vysílačů

 

obr.28
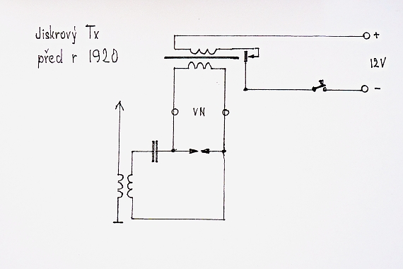
Jiskrový vysílač z roku 1920 - schéma

 

obr.29
Amatérský vysílač z roku 1923, další obrázek, schéma

 

obr.20
Amatérský vysílač z roku 1931, další obrázek, schéma

 

obr.31
Krystalem řízený vysílač z roku 1934, další obrázek, schéma

 

obr.32
Třílampový vysílač z roku 1936 (elektronky: RE604 a dvě RE134)

 

obr.33
KV vysílač z roku 1948 osazen elektronkou RL12P35, schéma

 

obr.34
Vysílač z roku 1951 s elektronkami LV1 a LS50, další obrázek, schéma

 

obr.35
Amatérský vysílač z roku 1953, schéma

 

obr.36
Povídání s Viktorem je příjemné a poučné zpestření holického setkání

 

obr.37
Na závěr ještě pár záběrů z "blešáku"

 

obr.38

 

obr.39

 

obr.40

 

obr.41

 

obr.42

 

obr.43

 

obr.44

 

obr.45

 

obr.46

 

separátor
Další fotografie ze setkání, které vyfotil Otto OK1ZMO najdete zde.

webdesing: Auja